 
                            
                            
                                
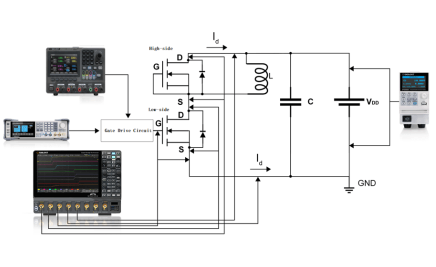
                                    Double Pulse Testing Solution                                
                                
                        
                                    As the core method to evaluate the dynamic characteristics of power devices, double pulse test faces multi-dimensional technical challenges in practical applications.
                                
                             
                            
                            
                                
                                    Power Electronics Characterization Techniques                                
                                
                        
                                    Here we have collected content that is specifically designed to guide you through many of the test challenges presented when trying to accurately characterize power electronics including wide bandgap semiconductors, power supplies.
                                
                             
                            
                            
                                
                                    Wake on LAN function on SIGLENT oscilloscopes                                
                                
                        
                                    Wake-on-LAN (WoL) is an Ethernet standard that allows a computer to be turned on or awakened from sleep mode by a network message, so called magic packet.
                                
                             
                            
                            
                                
                                    User Guide for Three-Phase Electricity Measurement and Analysis Functions                                
                                
                        
                                    With the continuous development of modern power system, the stability and reliability of three-phase power system are very important to ensure the quality of power supply.
                                
                             
                            
                            
                                
                                    Accurate Vector Mixer Measurements with a Vector Network Analyzer                                
                                
                        
                                    Frequency-translating devices such as mixers and converters are fundamental building blocks of most RF and microwave communication systems.
                                
                             
                            
                            
                                
                                    Gain Compression Measurements with the SNA Network Analyzer                                
                                
                        
                                    As the core components of a system, amplifiers are widely used in various RF and microwave systems.
                                
                             
                            
                            
                                
                                    Power Integrity Measurement Solution                                
                                
                        
                                    Power supply noise differs from ripple, it is another high-frequency component that appears between the output terminals. Noise refers to aperiodic random interference in the power supply output, manifesting as discontinuous and irregular voltage or curre
                                
                             
                            
                            
                                
                                    Signal Analysis Utilities in the SSA5000A Series Spectrum Analyzer                                
                                
                        
                                    Demonstration of the SIGIQPro Bluetooth signal generation and SSA5000A Bluetooth analysis function
                                
                            .png) 
                            
                            
                                
                                    How to Make Multi-Port Measurements                                
                                
                        
                                    With the increasing number of ports on components, testers need to perform accurate and fast multi-port network analysis. Optimizing the configuration of vector network analyzer (VNA) is the key to minimize test cost during the manufacturing stage.
                                
                             
                            
                            
                                
                                    SNA Extended N-port and Full-N-port Calibration Steps                                
                                
                        
                                    SNA is connected with SSM switch matrix to expand into N-port network analyzer. For example, vector network analyzer SNA5032A is expanded to 16 ports by using switch matrix SSM5124A, and perform full 16 ports calibration.
                                
                             
                            
                            
                                
                                    Measurement of Dielectric Material Properties                                
                                
                        
                                    Material measurement is integral when developing solutions in the millimeter-wave (mmWave) frequency range, it can provide the electrical or magnetic characteristics of the materials, which proved useful in many research and development fields. PCB, anten
                                
                             
                            
                            
                                
                                    Network file Sharing on SIGLENT Performance Oscilloscopes                                
                                
                        
                                    There are a number of applications for sharing data and files between instruments and computers for data archival and analysis. SIGLENT’s performance oscilloscopes provide a set of tools for connecting data locations over the network.
                                
                             
                            
                            
                                
                                    Oscilloscopes designed to address signal fidelity challenges                                
                                
                        
                                    Engineers constantly face challenges associated with signal fidelity. Debugging, analyzing, and visualizing issues with small signal details are becoming a more important part of R & D testing in many industries.
                                
                            .png) 
                            
                            
                                
                                    Using the SSA5000A noise figure measurement option                                
                                
                        
                                    The article demonstrates how to use the noise figure analysis function of SIGLENT SSA5000A spectrum analyzer to make high quality noise figure measurements quickly and efficiently.
                                
                            .png) 
                            
                            
                                
                                    Using the SSA5000A pulse measurement option                                
                                
                        
                                    In some critical areas such as signal design and verification require integrated time domain/frequency domain/modulation test tools for pulse signal analysis.
                                
                            .png) 
                            
                            
                                
                                    Demonstration of the SIGIQPro Bluetooth signal generation and SSA5000A Bluetooth analysis function                                
                                
                        
                                    Through fast one-click RF measurement, SSA5000A spectrum analyzer is transformed into a standard-based Bluetooth RF transmission tester to help you design, evaluate and manufacture Bluetooth devices. The measurement application conforms to the standard of
                                
                            .png) 
                            
                            
                                
                                    Using the SSA5000A phase noise analysis function                                
                                
                        
                                    A stable frequency source is a common need for many electronic devices and most RF equipment. Phase noise can be used to characterize the short-term frequency stability of these frequency sources. In this document, we will briefly describe how to use the
                                
                             
                            
                            
                                
                                    SSA5000A IQA&IFO Operation Manual                                
                                
                        
                                    IQ acquisition is similar to zero-span measurement in Swept SA, where the input signal is displayed as I/Q data results.
                                
                             
                            
                            
                                
                                    Vector Network Analysis Component Characterization                                
                                
                        
                                    RF component and system characterization is critical to emerging test requirements for all connected electronics.
                                
                             
                            
                            
                                
                                    Enhanced TDR Measurements with the SIGLENT SNA5000A Vector Network Analyzer                                
                                
                        
                                    Time Domain Reflectometry (TDR) is an important method for measuring cable and connection quality for high-speed transmissions.
                                
                             
                            
                            
                                
                                    Time Domain Analysis of RF Systems                                
                                
                        
                                    Time Domain Reflectometry (TDR) and other modes of time domain analysis of RF signals enable engineers to study the effectiveness of communication systems and channels for high speed serial data transfer.
                                
                             
                            
                            
                                
                                    Calibration and RF Measurements using VNA  Siglent SNA 5000A – four ports                                
                                
                        
                                    The following are some recommended common practices when performing any RF measurement.
                                
                             
                            
                            
                                
                                    Mixer measurements with a Vector Network Analyzer                                
                                
                        
                                    Mixers are typically 3-port devices that produce the sum or difference of two input frequencies. Most of the mixers are active ones require external power supply.
                                
                             
                            
                            
                                
                                    How do I pick the right spectrum analyzer for my application?                                
                                
                        
                                    Many people have trouble in choosing spectrum analyzer.
In this note, I will tell you How you can pick the right spectrum analyzer for my application.
                                
                            In this note, I will tell you How you can pick the right spectrum analyzer for my application.
                                
                                    Power Supply Design: Load Step Response with a SIGLENT DC Electronic Load                                
                                
                        
                                    Building a power supply that can handle various loads without oscillating can be a challenge. Computational models and computer simulations can help get your design headed in the right direction, but physical testing is essential to proving the performanc
                                
                            
                                
                                    The basic output waveform and related parameters of the arbitrary waveform generator                                
                                
                        
                                    Traditional function generators can no longer meet the requirements and an arbitrary waveform generator may be a good option.
                                
                            
                                
                                    Where is the MAC address information for SSA3000X, SSA3000X Plus, SSA3000X-R, and SVA1000X?                                
                                
                        
                                    The MAC address can be found on the LAN config interface.
Path: System--interface--LAN.
                                
                            Path: System--interface--LAN.
 
                            
                            
                                
                                    How to correctly use spectrum analyzers for EMC pre-compliance tests                                
                                
                        
                                    This application note introduces you how to set EMC pre-compliance tests parameters and what is the effect they bring to your measurements. There are also sensitivity considerations and tips for protection of SA during tests.
                                
                             
        	 
                 
        		 
                
                
                
                 
             
                                     
                 
                     
                     
                             
                             
                             
                             
                             
                             
                             
                             
                             
                             
                             
                             
                             
                             
                             
                             
                             
                             
                             
                             
                             
                             
                             
                             
                             
                             
                             
				     
					 
					 
					 
             
                 
                